Body control module receives various input switch
signals controlling time and alarm functions for rear fog lamp, tail
lamp auto cut, auto light, DRL, seat belt reminder warning, key
operated warning, parking brake warning, over speed warning,
ignition key hole illumination, room lamp control, power window
delay time control, keyless entry control, burgular alarm control,
auto door lock/crash door unlock, key reminder, front fog lamp,
decayed room lamp.
|

|
| 1. |
WIPER SYSTEM
| (1) |
LOW SPEED CONTROL
In IGN2 ON State, if there is WIPER
LOW input (LIN COMMUNICATION), then set Low Speed Wiping(LIN
COMMUNICATION). |
| (2) |
HIGH SPEED CONTROL
In IGN2 ON State, if there is WIPER
HIGH input (LIN COMMUNICATION), then set High Speed Wiping(LIN
COMMUNICATION). |
| (3) |
VEHICLE SPEED AND INT. TIME VOLUME
CONTROL THE INTERVAL TIME OF INT. WIPER.
In IGN2 ON State, if there is WIPER
INT. INPUT (LIN COMMUNICATION), then set
IntermittentWiping(LIN COMMUNICATION) and send
IntermittentTime(LIN
COMMUNICATION). |
| (4) |
BASIC INTERVAL TIME
| A. |
If the variance of basic
interval time is less then 0.3sec, the interval time is
not changed. |
| B. |
If the basic interval time is
less than 1.5sec, the wiper moves
continuously. |
| C. |
If the interval time is set (or
has passed) more than 10sec, and in case vehicle runs
(From vehicle stop to more than 7km/h), the wiper motor
is driven. |
Default value
Step
|
1
|
2
|
3
|
4
|
5
|
Time at 0 Speed
|
2.2 sec
|
3.9 sec
|
6.1 sec
|
8.3 sec
|
10
sec
|
| |
| 2. |
WIPER MOTOR CONTROL FOR WASHER
| (1) |
MIST MODE WASHING WIPER SWITCH INPUT :
0.16SEC ~ 0.56SEC)
Condition 1
State
|
Description
|
Initial condition
|
Washer switch is OFF
|
Event
|
If the duration of WASHER switch input is
measured from 0.16sec to 0.56sec
|
Action
|
After T3, the Low Speed Wiping(LIN) is ON
for 0.7sec. (For 1 Time
wiping)
|

T1 : 0.16sec, T2 :
0.56sec,
T3 : 0.28sec, T4 : 0.7 ±
0.1 |
| (2) |
NOMINAL MODE WASHING (WIPER SW INPUT :
MORE 0.56 SEC)
Condition 1
State
|
Description
|
Initial condition
|
Washer switch is OFF
|
Event
|
If WASHER switch is ON more than 0.56
sec.
|
Action
|
The Low Speed Wiping (LIN) is on after
T3(0.28sec)
|
|
The WASHER SWITCH input is
ignored during cranking (IGN2 is OFF during
cranking) |
Condition 2
State
|
Description
|
Initial condition
|
Nominal mode washing & WASHER switch
on.
|
Event
|
If WASHER switch is OFF.
|
Action
|
The Low Speed Wiping (LIN) stops wiper
after 3 ± 0.3 sec later. (Low Speed Wiping (LIN) is OFF after 3 ±
0.3 sec later)
|

T1 : 0.16sec, T2 :
0.56sec,
T3 : 0.28sec, T4 : 3 ±
0.3sec. |
| (3) |
WASHER FUNCTION DURING WIPER INT.
MODE
Condition 1
State
|
Description
|
Initial condition
|
IGN2 switch ON & WIPER INT.
MODE
|
Event
|
If WASHER switch is ON more than
0.56sec.
|
Action
|
The Low Speed Wiping(LIN) is on after T3
(0.28 sec.)
|
Condition 2
State
|
Description
|
Initial condition
|
WASHER MODE (During WIPER
INT.)
|
Event
|
If WASHER switch is OFF
|
Action
|
The Low Speed Wiping(LIN) will stop wiper
after 3 ± 0.3 sec later. (Low Speed Wiping(LIN) is OFF after 3 ±
0.3sec later) (i.e. Resume
WIPER INT. mode after 3 ±
0.3sec)
|
Condition 3
State
|
Description
|
Initial condition
|
WIPER INT. mode
|
Event
|
The duration of WIPER switch input is
measured from 0.16sec to 0.56sec.
|
Action
|
After T3, the Low Speed Wiping(LIN) Output
is ON for 0.7sec.
|

T1 : more than 0.56sec, T2 : 0.16sec ~
0.56sec,
T3 : 0.28sec, T4 : 3 ± 0.3sec, T5 :
T6~0.7sec,
T6 : INT. Time, T7 : Within
T6. |
| (4) |
WASHER FUNCTION DURING WIPER AUTO.
MODE
Condition 1
State
|
Description
|
Initial condition
|
IGN2 switch ON & WIPER AUTO. MODE &
High Speed Wiping
|
Event
|
If WASHER input is detected regardless of
duration of detection time
|
Action
|
Stay in High Speed
Wiping(LIN)
|

| |
| 3. |
RAIN SENSING WIPER
In IGN2 ON state, if AUTO switch input (LIN
Communication) is ON then both Low Speed Wiping (LIN COMMUNICATION)
and High Speed Wiping (LIN COMMUNICATION) are controlled by the RAIN
SENSOR INPUT signal.
|
When RAIN SENSOR is mounted on
vehicle, the RAIN Bit of LIN is 1. In this Vehicle, if AUTO
switch of M/F is ON , then M/F is sent W INT 1 and INT. time
combination(INT2, INT1, INT0) via LIN
COMMUNICATION. |
| (1) |
BCM OUTPUT SIGNAL(BCM TO RAIN
SENSOR)
The BCM sends to the rain sensor a
pulse width modulated waveform. The total period of the
waveform is greater than 10 milliseconds.

|
| (2) |
BCM INPUT SIGNAL(RAIN SENSOR TO
BCM)
The Rain Sensor sends back to the BCM
a pulse width modulated waveform with one distinct period (see
diagram below):

|
| (3) |
AUTOMATIC MODE
When the wiper switch is moved to AUTO
position and the Ignition switch is in IGN2 position, the Rain
sensor is considered to be in "AUTOMATIC"
mode. | |
| 4. |
TAIL LAMP AUTO CUT
| (1) |
GENERAL CONTROL
In BATTERY ON State, if (TAIL SW INPUT
is ON and AUTO CUT is not activity), TAIL LAMP RELAY OUTPUT is
ON.
The BCM memorizes the AUTO CUT state
in EEPROM. |
| (2) |
TAIL LAMP AUTOCUT IN NON-SMK
OPTION
The auto-cut strategy ensures that
tail lamps are turned off even if the driver forgets to turn
them off.
The tail lamp is turned ON by tail
switch after KEY IN switch ON, then after if the user KEY IN
switch OFF and opens the driver side door, the TAIL lamp is
automatically cut.
Also at the state KEY IN switch ON,
when KEY IN switch is turned OFF after opens the Diver Side
DOOR, the TAIL lamp is automatically cut.
(The switch detection sequence of KEY
IN switch and DRIVER DOOR switch is ignored.)
After "AUTO CUT", the "AUTO CUT"
function is disabled and TAIL LIGHTS are turned ON if the
driver turns ON again the TAIL switch or KEY IN becomes
ON.

|
| (3) |
TAIL LAMP AUTO CUT FUNCTION IN SMK
OPTION
| A. |
The case of without Limp Home
condition
The state of (ACC OFF & IGN1
OFF & IGN2 OFF), and Tail Lamp output On, if Driver
side Door is opened, the TAIL lamp is automatically
cut.
Also after Driver side Door is
opened, (ACC OFF & IGN1 OFF & IGN2 OFF), the
TAIL lamp is automatically
cut. |
| B. |
The case of Limp Home
condition
TAIL lamp auto cut function is
operated the same method of Non-PIC SMK
Option. |
|
BCM has same behavior between
SMK and Non-SMK option in tail lamp autocut function.
So, for active autocut, it is need to off the key IN and
ACC
signal. | | |
| 5. |
HEAD LAMP CONTROL
| (1) |
HEAD LAMP LOW CONTROL
In IGN2 ON State, if there is HEAD
LAMP LOW SW input (LIN COMMUNICATION), HEADLAMP LOW RELAY
OUTPUT is turned ON.
IGN 2
|
HEAD LAMP LOW SW
|
HEAD LAMP LOW RELAY
|
OFF
|
Don't care
|
OFF
|
ON
|
OFF
|
OFF
|
ON
|
ON
|
ON
|
In IGN1 ON and IGN2 ON status, If the
LIN Communication failure is detected, turn on the head Lamp
Low. (LIMPHOME strategy) |
| (2) |
HEAD LAMP HIGH CONTROL
In IGN2 ON State, If HEAD LAMP HIGH SW
INPUT and HEAD LAMP LOW RELAY (LIN COMMUNICATION) is detected
then HEAD LAMP HIGH RLY OUTPUT is turned ON, which means the O
HL HIGH RELAY and also the O HL HIGH IND the indicator on the
dashboard. |
| (3) |
PASSING CONTROL
In IGN2 ON State, If HEAD LAMP PASSING
INPUT (LIN COMMUNICATION) is detected then HEAD LAMP HIGH RLY
OUTPUT (O HL HIGH RELAY and O HL HIGH IND) is turned ON and
also at the same time HEAD LAMP LOW RLY
OUTPUT. | |
| 6. |
AUTO LIGHT CONTROL
In the state of IGN1 ON and IGN2 ON, when
MULTI FUNCTION switch module detects AUTO LIGHT switch ON, TAIL LAMP
RELAY output and HEAD LAMP LOW RELAY output are controlled according
to AUTO LIGHT Sensor's INPUT. In the state of IGN1 ON, when MULTI
FUNCTION switch module detects AUTO LIGHT switch ON, TAIL LAMP RELAY
output is controlled according to AUTO LIGHT Sensor's
INPUT.
If IGN1 ON (for cranking) or ACC ON (for AV
TAIL Function activity), the BCM supplies the power to Auto light
sensor and monitors the range of this supply and raises up a failure
as the supply’s voltage is out of range (that is.: less than 4
Volts, more than 6 Volts).
The filtering of the error is 300ms to raise
up this one, and also 300ms to clear this one.
Then this failure occurs and as long as this
is present, the head lamp must be turned on without taking care
about the sunlight level provided by the sensor.
This is designed to prevent any head lamp
cut off when the failure occurs during the night.
| (1) |
EXPORT VERSION


|
At export version HEAD LAMP LOW
RELAY is turned ON/OFF at the time TAIL LAMP RELAY is
turned
ON/OFF. | |
| (2) |
THRESHOLD VALUE TABLE
In IGN2 ON State, according to AUTO
LIGHT Sensor's INPUT, TAIL and HEADLAMP is
ON/OFF.
|
TAIL
|
HEAD LAMP
|
ON
|
1.77 ± 0.08[V] (Tail On SunL Threshold)
below
|
0.61 ± 0.06[V] (Head On SunL Threshold)
below
|
OFF
|
3.47 ± 0.10[V] (Tail Off SunL Threshold)
upper
|
1.00 ± 0.06[V] (Head Off SunL Threshold)
upper
|
| |
| 7. |
FRONT FOG LAMP CONTROL
In case of (IGN2 = ON) & (HEADLAMP LOW
OUTPUT= ON) & (HEADLAMP HIGH OUTPUT OFF) status, if FRONT FOG
SWITCH input is detected, FRT FOG LAMP RELAY OUTPUT (O FOG FRONT
RELAY) is turned ON.

|
Front Fog Lamp SW is not Self-Return
Type. | |
| 8. |
DAYTIME RUNNING LIGHT CONTROL
(CANADA)
DRL option input & North America option
input line is connected to the ground electrical level.
CANADA option uses HIGH BEAM as the HEAD
LAMP.
Release condition:
| (1) |
HEADLAMP LOW RELAY ON
or |
| (2) |
HEADLAMP HIGH RELAY or PASSING ON
or |

|
Headlamp low output includes condition
on switches and also by AUTO
LIGHT. | |
| 9. |
FOLLOW ME HOME FUNCTION
Due to the change of law for North American
variant, tail lamp should be ON as long as head lamp is ON. Tail
lamp can’t be turned OFF when head lamp is ON.
After switching off ignition, you generate a
call of headlight (head lamp low and tail lamp) and open driver side
door and then after close driver door, you will have consequently
lighting of head lamp low and tail lamp during 30sec.

| 1. |
Door Lock 2 times : Tx Door Lock
2 times or Passive Door Lock 2
times |
| 2. |
When Open the Dirver door,
former 2 times lock counter is cleared, and Start new 2
times lock counting |
| 3. |
During active the Follow-me-home
function(counting 30sec), if Driver door is re-opened,
re-start 20min counter and if Driver door is re-close,
re-start 30sec
counter. | |


|
| 10. |
FLASHER BUZZER Operation
When the BCM detects the TURN LEFT SIGNAL or
TURN RIGHT SIGNAL transition, then starts flasher buzzer outputs
depend on transition.

T1 : 2KHz, 50%
Duty |
| 11. |
TURN SIGNAL NORMAL OPERATING
CONDITION
(Turn signal period : 85 ± 10
period/min)
While IGN2 is ON, if FULL TURN SIGNAL or
TURN SIGNAL LEFT or TURN SIGNAL RIGHT or HAZARD input is detected,
then turn signal outputs are turned ON TURN LAMPs following as
switch input state (FULL LEFT, FULL RIGHT or HAZARD).
| A. |
Full Turn Left(T LEFT = 1 and F TURN =
1) : Continuously flashing turn left
lamp |
| B. |
Full Turn Right(T RIGHT = 1 and F TURN
= 1) : Continuously flashing turn right
lamp |
|
Priority : HAZARD > TURN
SIGNAL |

Normal : 85 ± 10
Period/min |
| 12. |
DOUBLE BLINKING CONDITION
In case of activation of hazard the fault
detection will be able to detect the failure only if 3 bulbs are
broken-down. This bulb failure can be tested by the diagnostic
specification.
In case of turn signal activation when one
of the FRONT or REAR is broken-down (Lamp failure), the turn signal
blinks with double frequency. Lamp failure condition as
below.
| (1) |
Flasher fault detection should be
inhibited according to Battery voltage status When the VBAT
voltage is lower than 9V → this threshold for flasher fault
detection should be configured as the calibration variable
(EEPROM variable) |
| (2) |
The fault detection is carried out
continuously, until fault condition is detected by BCM and
once fault is detected, BCM keep the fault condition until
flasher triggering condition is released(Turn Right or Left
switch off/ IGN1 & IGN2 or Hazard switch
off) |
The double blinking works at IGN1 ON &
IGN2 ON condition, double blinking for Hazard: Except side lamp, if
any error condition is detected then triggered the double
blinking.
Period: 140 ±10 period/min

|
| 13. |
MAGNETIC BUZZER SOUND
Sound Period : T2 (0.6 s or 0.25 s or
0.730s)
Sound duration : T1 (fix value or
infinite)

| (1) |
SOUND PRIORITY
| A. |
1st : Diagnostic sound (provided
to test the Buzzer by way of Diagnostic
tool) |
| B. |
2nd : Seatbelt
warning |
| C. |
3rd : Overspeed
warning |
| D. |
4th : Key operated
warning |
| E. |
5th : Parking Brake
warning |
| F. |
6th : "MSL not blocked" warning
(SMK option only) |
| G. |
7th : Key learning sound (Sound
period : 600 m sec.) (Learning with High SCAN tool) (non
SMK option only) |
| H. |
8th : Key learning sound (Sound
period : 600 m sec.) (Learning with Code Saving tool)
(non SMK option only) |
| I. |
9th : Warnings for SMK systems
(ID Deactivation warning) (SMK option
only) |
|
A buzzer ending restores the
activity of a buzzer previously
interrupted. | |
| (2) |
BUZZER SOUND ENDING
|
After any buzzer sound block
ends, another buzzer sound block can start. During
warning sound, the other high priority warning can’t
interrupt current activating one before the end of the
previous sound block. |

| |
| 14. |
SEAT BELT WARNING FUNCTION
A calibration bit Seat belt warning buzzer
sound option is defined to disable /enable the seat belt reminder
buzzer, this calibration bit is by default set to True.
A calibration bit AssistantSeatBeltReminder
option is defined to enable/disable the Assistant side Seat Belt
Reminder function, this calibration bit is by default set to
False.
| (1) |
SEAT BELT WARNING LAMP DRIVING
CONDITION

|
| (2) |
SEAT BELT WARNING SOUND
Frequency : 800 Hz
Sound period : T2 = 1sec
Sound duration : T1 = (see following
chapters)
In case of 6sec blinking case,
following as seatbelt lamp blinking, buzzer warning sound. So
if lamp is blinking over 6sec, buzzer warning sound one more
time.

| |
| 15. |
KEY LEARNING INTERNAL SOUND
Key Learning sound :
Frequency: 800 Hz
Sound period: 600msec
Sound duration: 600msec
When each Key's learning is ended, magnetic
buzzer is operated, every one time.

|
| 16. |
KEY OPERATED WARNING
| (1) |
KEY OPERATED WARNING
SOUND
Frequency : 800 Hz
Sound period : T2 =
0.6sec
Sound duration :
infinite |
| (2) |
KEY OPERATED WARNING
ALGORITHM
| A. |
(While IGN KEY is inserted into
the KEY CYLINDER (*) Or ACC is ON) & (IGN1 = IGN2 =
ALT'L = OFF) if DRIVER SIDE DOOR is opened. KEY OPERATED
WARN'G starts.
(*) if non SMK, or SMK option :
KEY IN = TRUE |
| B. |
(If the KEY is pulled out from
key cylinder & ACC = OFF)
Or IGN2 = ON
Or IGN1 = ON
Or ALT'L = ON
or if DRIVER SIDE DOOR is
closed, then the key operated warning stops
immediately. |
| C. |
DURATION: Permanent (The KEY
OPERATED WARNING continues permanently if the condition
has not changed) |

| • |
The same definition is
used for SMK and non SMK
option. |
| • |
The activation and
deactivation must be made in the states. When an
event with a higher priority interrupts the key
reminder and when this event finishes, the key
reminder must be
reactivated. | | | |
| 17. |
SMART KEY SYSTEM WARNINGS (SMART KEY OPTION
ONLY)
| (1) |
SMK(Smart Key) system warning
sounds
In case of MAGNETIC BUZZER
:
Frequency: 800 Hz
Sound period: T2 = 0.25 s
Number of period : 1
TON : 3 secs
TOFF : 0 secs
The frequency is fixed at
2khz. |
| (2) |
2 warning sounds are necessary for the
SMK system in the following cases :
When receiving the "ID out warning"
command from SMK ECU via CAN (meaning that ID is found outside
the vehicle), the warning sound (MEGNETIC BUZZER and External
BUZZER) starts.
MEGNETIC BUZZER Sound duration : T1 =
5 s | |
| 18. |
PARKING BRAKE BUZZER WARNING
| (1) |
PARKING BRAKE WARNING
SOUND
Frequency : 800 Hz
Sound period : T2 =
0.6sec
Sound duration :
infinite |
| (2) |
Operation
| A. |
In state of IGN1 ON, this
warning sound is start when vehicle speed is over 10Km/h
and PARK BRAKE switch is
ON. |
| B. |
This activity is stop if
: |
| • |
Vehicle speed is under
10kmh (with filtering as same method with CAN bit
20Kmh) |
| • |
PARK BRAKE switch is
OFF | |

| |
| 19. |
IGN KEY HOLE ILLUMINATION
| (1) |
FUNCTION Description
Turn On Condition
State
|
Description
|
Initial condition
|
IGN1 OFF
|
Event
|
DOOR open ((FRONT LEFT DOOR SW= ON) OR
(FRONT RIGHT DOOR SW = ON))
|
Action
|
IGN KEY HOLE illumination is turned on. KEY
HOLE ILLUMINATION =
ON
|
30 sec Illumination Condition
State
|
Description
|
Initial condition
|
Turn On Condition
|
Event
|
DOOR close ((FRONT LEFT DOOR SW= OFF) AND
(FRONT RIGHT DOOR SW = OFF))
|
Action
|
The IGN keyhole is illuminated for 30
sec. If DOORS Open again
during 30 sec illumination, the turn ON condition starts
again.
|
Illumination stops condition
State
|
Description
|
Initial condition
|
IGN KEY HOLE is
illuminated
|
Event
|
IGN1 ON or Entered ARM
MODE
|
Action
|
IGN KEY HOLE illumination is turned off
immediately. KEY HOLE ILLUMINATION =
OFF.
|

T1 : 30 ±
1sec. | |
| 20. |
DEFOGGER AND DEICER TIMER
| (1) |
FUNCTION Description
Condition 1
State
|
Description
|
Initial condition
|
IGN1 ON & Alternator level High &
Defogger is OFF (DEFOGGER
RELAY = OFF, and DEFOGGER ACTIVITY =
OFF)
|
Event
|
Defogger is activated (DEFOGGER SW =
ON)
|
Action
|
Defogger Outputs is turned
ON (DEFOGGER RELAY = ON ,
and DEFOGGER ACTIVITY =
ON)
|
Condition 2
State
|
Description
|
Initial condition
|
IGN1 ON & Alternator level High &
Defogger is ON
|
Event
|
Defogger SWITCH Input pushed again OR T1
delay has elapsed since Defogger has been turned
on
|
Action
|
Defogger Outputs are turned OFF
: (DEFOGGER RELAY = OFF,
and DEFOGGER ACTIVITY =
OFF)
|
Condition 3
State
|
Description
|
Initial condition
|
IGN1 ON & Alternator level High &
DEICER is OFF (DEICER RELAY
= OFF)
|
Event
|
DEICER is activated (DEICER SW =
ON)
|
Action
|
Deicer output is turned ON (DEICER RELAY =
ON)
|
Condition 4
State
|
Description
|
Initial condition
|
IGN1 ON & Alternator level High &
DEICER is ON
|
Event
|
DEICER SWITCH input pushed again OR T1
delay has elapsed since DEICER has been turned
on
|
Action
|
Deicer output is turned OFF (DEICER RELAY =
OFF)
|
If alternator input is changed to low
or IGN1 input is changed to Off, Defogger output and DEICER
output should be turned OFF immediately.

T1 : 20min ± 1min
|
The delay between DEFOGGER
SWITCH INPUT and DEFOGGER OUTPUT: Less than 100msec.,
Outside mirror DOOR MODULE via CAN controls heated
function. It is the same for DEICER SWITCH input and
DEICER output.
DEICER and DEFOGGER output is
turned on independently by DEICER SWITCH input and
DEFOGGER SWITCH
input. | | |
| 21. |
DECAYED ROOM LAMP
| (1) |
Transitions from Room lamp OFF
state:
Condition 1
State
|
Description
|
Initial condition
|
Room lamp OFF & IGN1=OFF & ALL DOOR
CLOSED
|
Event
|
Transition of ALL DOORS CLOSED to NOT(ALL
DOORS CLOSED) for more than 0.1sec
|
Action
|
State changed to ROOM LAMP ON for 20
min Turn ROOM LAMP for a
duration of 20
±1minutes
|
Condition 2
State
|
Description
|
Initial condition
|
Room lamp OFF & IGN1=OFF & ALL DOOR
CLOSED
|
Event
|
| - |
if SMK variant :UNLOCK by
SMK RKE | |
Action
|
State changed to ROOM LAMP ON for
30s ROOM LAMP is turned ON
for 30sec.
|
Condition 3
State
|
Description
|
Initial condition
|
Room lamp OFF & IGN1=OFF & ALL DOOR
CLOSED
|
Event
|
IGN1 = ON and NOT(ALL DOORS
CLOSED)
|
Action
|
State changed to ROOM LAMP
ON The room lamp is turned
ON without time
limitation
|

|
| (2) |
Transitions from Room lamp ON for 30s
state:
Condition 1
State
|
Description
|
Initial condition
|
ROOM LAMP ON for 30s &
IGN1=OFF
|
Event
|
At least 1 door is opened more than 0.1sec
(ALL DOOR NOT CLOSED = ON)
|
Action
|
State changed to ROOM LAMP ON for
20min ROOM LAMP is kept ON
for 20 ±1minutes
|
Condition 2
State
|
Description
|
Initial condition
|
ROOM LAMP ON for 30s &
IGN1=OFF
|
Event
|
| - |
if SMK variant :UNLOCK by
SMK RKE | |
Action
|
State remains ROOM LAMP ON for
30s ROOM LAMP ON 30sec
timer is re-initialized for an other 30sec
duration
|
Condition 3
State
|
Description
|
Initial condition
|
ROOM LAMP ON for 30s &
IGN1=OFF
|
Event
|
IGN1=ON Or 30s
timer elapsed Or ATWS (The
BCM goes to ARM)= 1 Or ALL
DOOR LOCKED (ALL DOOR
LOCKED = REAR LEFT KNOB UNLOCK = 0, REAR RIGHT KNOB
UNLOCK = 0, FRONT LEFT KNOB UNLOCK = 0 and FRON RIGHT
KNOB UNLOCK = 0 via CAN communication)
|
Action
|
State changed to ROOM LAMP
DECAYING ROOM LAMP is
slowly decayed off during
2±0.2sec
|

|
| (3) |
Transitions from Room lamp ON for
20min state:
Condition 1
State
|
Description
|
Initial condition
|
ROOM LAMP ON for 20min &
IGN1=OFF
|
Event
|
IGN1 = ON
|
Action
|
State changed to ROOM LAMP
ON The room lamp remains ON
without time
limitation
|
Condition 2
State
|
Description
|
Initial condition
|
ROOM LAMP ON for 20min & IGN1=OFF &
All door unlocked
|
Event
|
ALL DOOR CLOSED
|
Action
|
State changed to ROOM LAMP ON for
30s ROOM LAMP is turned ON
for 30sec
|
Condition 3
State
|
Description
|
Initial condition
|
ROOM LAMP ON for 20min &
IGN1=OFF
|
Event
|
ALL DOOR CLOSED & ALL DOOR LOCKED Or
20min timer elapsed
|
Action
|
State changed to ROOM LAMP
DECAYING ROOM LAMP is
slowly decayed off during
2±0.2sec
|

|
| (4) |
Transitions from Room lamp Decaying
state:
Condition 1
State
|
Description
|
Initial condition
|
ROOM LAMP DECAYING &
IGN1=OFF
|
Event
|
Transition of ALL DOORS CLOSED to NOT(ALL
DOORS CLOSED) for more than 0.1sec
|
Action
|
State changed to ROOM LAMP ON for
20min ROOM LAMP is kept ON
for 20±1minutes
|
Condition 2
State
|
Description
|
Initial condition
|
ROOM LAMP DECAYING & IGN1=OFF & ALL
DOOR CLOSED
|
Event
|
| - |
if SMK variant :UNLOCK by
SMK RKE | |
Action
|
State changed to ROOM LAMP ON for
30s ROOM LAMP is turned ON
for 30sec
|
Condition 3
State
|
Description
|
Initial condition
|
ROOM LAMP DECAYING
|
Event
|
Room lamp decaying
completed
|
Action
|
State changed to ROOM LAMP
OFF Turn OFF the room
lamp
|
Condition 4
State
|
Description
|
Initial condition
|
ROOM LAMP DECAYING
|
Event
|
IGN1 = ON and NOT(ALL DOORS
CLOSED)
|
Action
|
State changed to ROOM LAMP
ON The room lamp remains ON
without time
limitation
|

|
| (5) |
Transitions from Room lamp ON
state:
Condition 1
State
|
Description
|
Initial condition
|
ROOM LAMP ON & IGN1=ON & At least 1
door is opened
|
Event
|
ALL DOORS CLOSED
|
Action
|
State changed to ROOM LAMP
DECAYING ROOM LAMP is
slowly decayed off during
2±0.2sec
|
Condition 2
State
|
Description
|
Initial condition
|
ROOM LAMP ON & IGN1=ON & At least 1
door is opened
|
Event
|
IGN1=OFF
|
Action
|
State changed to ROOM LAMP ON for
20min ROOM LAMP is kept ON
for 20 ±1minutes
|
Condition 3
State
|
Description
|
Initial condition
|
ROOM LAMP ON & IGN1=ON & At least 1
door is opened
|
Event
|
ALL DOOR CLOSED &
IGN1=OFF
|
Action
|
State changed to ROOM LAMP ON for
30s ROOM LAMP ON 30sec
timer is re-initialized for an other 30sec
duration
|

| |
| 22. |
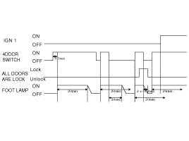
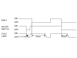
DECAYED FOOT LAMP
| (1) |
Transitions from Foot lamp OFF
state:
Condition 1
State
|
Description
|
Initial condition
|
Foot lamp OFF & IGN1=OFF & ALL DOOR
CLOSED
|
Event
|
Transition of ALL DOORS CLOSED to NOT(ALL
DOORS CLOSED) for more than 0.1sec
|
Action
|
State changed to FOOT LAMP ON for 20
min Turn FOOT LAMP for a
duration of 20 ±
1minutes
|
Condition 2
State
|
Description
|
Initial condition
|
Foot lamp OFF & IGN1=OFF & ALL DOOR
CLOSED
|
Event
|
| - |
if SMK variant :UNLOCK by
SMK RKE | |
Action
|
State changed to FOOT LAMP ON for
30s FOOT LAMP is turned ON
for 30sec
|
Condition 3
State
|
Description
|
Initial condition
|
Foot lamp OFF & IGN1=OFF & ALL DOOR
CLOSED
|
Event
|
(IGN1 = ON) and [(ALL DOORS NOT CLOSED) or
(P position = ON)]
|
Action
|
State changed to FOOT LAMP
ON The Foot lamp is turned
ON without time
limitation
|

|
| (2) |
Transitions from Foot lamp ON for 30s
state:
Condition 1
State
|
Description
|
Initial condition
|
FOOT LAMP ON for 30s &
IGN1=OFF
|
Event
|
At least 1 door is opened more than 0.1sec
(ALL DOOR NOT CLOSED = ON)
|
Action
|
State changed to FOOT LAMP ON for
20min FOOT LAMP is kept ON
for 20 ± 1minutes
|
Condition 2
State
|
Description
|
Initial condition
|
FOOT LAMP ON for 30s &
IGN1=OFF
|
Event
|
| - |
if SMK variant :UNLOCK by
SMK RKE | |
Action
|
State remains FOOT LAMP ON for
30s FOOT LAMP ON 30sec
timer is re-initialized for an other 30sec
duration
|
Condition 3
State
|
Description
|
Initial condition
|
FOOT LAMP ON for 30s &
IGN1=OFF
|
Event
|
IGN1=ON & P position = Off & FL
Inhibit Timer12 elapsed (1 sec.) Or
30s timer elapsed Or ATWS
(The BCM goes to ARM) = 1 Or ALL DOOR LOCKED (ALL
DOOR LOCKED = REAR LEFT KNOB UNLOCK = 0, REAR RIGHT KNOB
UNLOCK = 0, FRONT LEFT KNOB UNLOCK = 0 and FRON RIGHT
KNOB UNLOCK = 0 via CAN communication)
|
Action
|
State changed to FOOT LAMP
DECAYING FOOT LAMP is
slowly decayed off during
2±0.2sec
|
Condition 4
State
|
Description
|
Initial condition
|
FOOT LAMP ON for 30s &
IGN1=OFF
|
Event
|
IGN1=ON & P position = On & FL
Inhibit Timer12 elapsed (1 sec.)
|
Action
|
State changed to FOOT LAMP
ON The Foot lamp is turned
ON without time
limitation.
|

|
| (3) |
Transitions from Foot lamp ON for
20min state:
Condition 1
State
|
Description
|
Initial condition
|
FOOT LAMP ON for 20min &
IGN1=OFF
|
Event
|
IGN1 = ON
|
Action
|
State changed to FOOT LAMP
ON The Foot lamp remains ON
without time
limitation.
|
Condition 2
State
|
Description
|
Initial condition
|
FOOT LAMP ON for 20min & IGN1=OFF &
All door unlocked
|
Event
|
ALL DOOR CLOSED & All door
unlocked
|
Action
|
State changed to FOOT LAMP ON for
30s FOOT LAMP is turned ON
for 30sec.
|
Condition 3
State
|
Description
|
Initial condition
|
FOOT LAMP ON for 20min &
IGN1=OFF
|
Event
|
ALL DOOR CLOSED & ALL DOOR LOCKED Or
20min timer elapsed
|
Action
|
State changed to FOOT LAMP
DECAYING FOOT LAMP is
slowly decayed off during
2±0.2sec.
|

|
| (4) |
Transitions from Foot lamp Decaying
state:
Condition 1
State
|
Description
|
Initial condition
|
FOOT LAMP DECAYING &
IGN1=OFF
|
Event
|
Transition of ALL DOORS CLOSED to NOT(ALL
DOORS CLOSED) for more than 0.1sec
|
Action
|
State changed to FOOT LAMP ON for
20min FOOT LAMP is kept ON
for 20 ±1minutes.
|
Condition 2
State
|
Description
|
Initial condition
|
FOOT LAMP DECAYING & IGN1=OFF & ALL
DOOR CLOSED
|
Event
|
| - |
if SMK variant :UNLOCK by
SMK RKE | |
Action
|
State changed to FOOT LAMP ON for
30s FOOT LAMP is turned ON
for 30sec.
|
Condition 3
State
|
Description
|
Initial condition
|
FOOT LAMP DECAYING
|
Event
|
Foot lamp decaying
completed
|
Action
|
State changed to FOOT LAMP
OFF Turn OFF the room
lamp.
|
Condition 4
State
|
Description
|
Initial condition
|
FOOT LAMP DECAYING
|
Event
|
(IGN1 = ON) and [(ALL DOORS NOT CLOSED) or
(P position = ON)]
|
Action
|
State changed to FOOT LAMP
ON The Foot lamp remains ON
without time
limitation
|

|
| (5) |
Transitions from Foot lamp ON
state:
Condition 1
State
|
Description
|
Initial condition
|
FOOT LAMP ON & IGN1=ON & At least 1
door is opened
|
Event
|
ALL DOORS CLOSED & P position =
Off
|
Action
|
State changed to FOOT LAMP
DECAYING FOOT LAMP is
slowly decayed off during
2±0.2sec
|
Condition 2
State
|
Description
|
Initial condition
|
FOOT LAMP ON & IGN1=ON & At least 1
door is opened
|
Event
|
IGN1 = OFF
|
Action
|
State changed to FOOT LAMP ON for
20min FOOT LAMP is kept ON
for 20±1minutes
|
Condition 3
State
|
Description
|
Initial condition
|
FOOT LAMP ON & IGN1=ON & At least 1
door is opened
|
Event
|
ALL DOOR CLOSED &
IGN1=OFF
|
Action
|
State changed to FOOT LAMP ON for
30s FOOT LAMP ON 30sec
timer is re-initialized for an other 30sec
duration
|

| • |
Following as INHIBIT P
Logic value, BCM sends the INH P state via
CAN. |
| • |
Foot lamp's brightness can
be changed by diagnostic
values. | | | |
| 23. |
POWER WINDOW TIMER
FUNCTION
|
CHARACTERISTIC
|
NAME
|
Hardware
label
|
Spec.
Designation
|
INPUT
|
CAN COMMUNICATION
|
FRONT LEFT DOOR FRONT RIGHT DOOR
|
FRONT LEFT Door Switch FRONT
RIGHT Door Switch
|
ANALOG
|
IG1
|
IGN1
|
OUTPUT
|
CAN COMMUNICATION
|
POWER RELAY
|
POWER WINDOW
RELAY
|
| (1) |
FUNCTION Description
| A. |
POWER WINDOW RELAY CAN signal is
switched ON(1) when IGN1 SWITCH
On. |
| B. |
When IGN1 SWITCH is turned Off,
the POWER WINDOW RELAY CAN signal remains On for 30sec
and then is turned
OFF(0). |
| C. |
During the operation(2), if
driver or assistant side door is opened, the POWER
WINDOW RELAY CAN signal is turned OFF(0)
immediately. |

| | |